DFB Laser, Butterfly Package, 1550 nm, 50 mW, CW

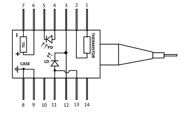
The LDB-DFB-1550-50CW is a single frequency CW laser coupled with Polarization Maintaining fiber. Built with Distributed Feed-Back Grating (DFB) as cavity reflector, it provides a pure, single longitudinal mode, and extremely stable wavelength source. This laser diode is fabricated with Multiple Quantum Well (MQW) for excellent reliability and stability. It can be used either in CW operation for seeding the external modulation and coherence interferometry, or directly modulated for signal transmission. This MQW DFB laser features 60 mW of output optical power, high Side Mode Suppression Ratio (SMSR). The standard 14-pin butterfly integrates TEC, thermistor, monitor PD and an output isolator.
DFB Single Frequency Laser Diodes
We offer single frequency 1310 and 1550 nm DFB laser diode assemblies for those applications requiring narrow line width laser sources. The DFB devices are of a multi-quantum well structure with an internal grown Bragg Grating resonator. The index of refraction change in the periodically grown Bragg Grating resonator/ reflector causes reflections to occur within the laser cavity which promoted only one single longitudinal mode of light to be generated. The DFB lasers will therefore have one primary longitudinal mode and the secondary modes will typically be 40 dB down from the primary mode. The feedback provided by the internal resonator creates a primary mode whose spectral line width < 0.1 nm FWHM. DFB lasers have a lower wavelength-temperature coefficient than FP lasers and so wavelength shift with temperature is typically about 0.1 nm/°C, so minimal temperature tuning is possible. The assemblies include an internal monitor photodiode to allow them to be operated in automatic power control, APC, mode or the laser may be operated in constant current mode.
Butterfly and TO-Can Packages Available
Newport's DFB lasers are available in two most popular package types: butterfly and flange-mounted TO-can. Newport offers various butterfly package laser diode mounts, and Model for the flange-mounted TO-can lasers. At Newport, all required laser control instruments are available for purchase separately.
Connectorized Single-mode Output
The DFB lasers in the butterfly packages are pigtailed with panda PM fiber, terminated with a narrow-key FC/APC connector. The laser is aligned to the slow axis. The DFB lsaers in the flange-mount TO can packages are pigtailed with a single mode fiber, terminated with an FC/PC fiber optic connector.
Caution on Electrostatic Discharge (ESD)
Each individual product is tested and characterized, and guaranteed to operate, prior to shipment. Certain products, such as laser diodes and high speed detectors are highly sensitive to ESD and it can happen from mundane activities such as connecting electrical cables. A grounding wrist strap, such as the
Integrated Optical Isolator
Our DFB laser diode assemblies feature an integral optical isolator. The addition of these isolators provides protection against back reflections and ensures a minimum optical isolation of 30 dB at the specified center wavelength over the entire operating temperature range.
Applications
Applications include high-speed data and telecommunications systems and instrumentation, and optical instruments requiring a laser diode light source.
Warranty
Butterfly and TO-Can Packages Available
Newport's DFB lasers are available in two most popular package types: butterfly and flange-mounted TO-can. Newport offers various butterfly package laser diode mounts, and Model for the flange-mounted TO-can lasers. At Newport, all required laser control instruments are available for purchase separately.
Resources & Downloads
Drawings & CADs
DFB1310_Dimensional Drawing.pdf(707.4 kB, PDF)
Literature
DFB Pigtailed Laser Diode Datasheet.pdf(1.2 MB, PDF)
Related Products
Similar
| Compare | Description | Drawings, CAD & Specs | Avail. | Price | ||
|---|---|---|---|---|---|---|
![]() | LDB-DFB-1310-150DFB Laser, Butterfly Package, 1310 nm, 150 mW | |||||
![]() | LDB-DFB-1550-20DFB Laser, Butterfly Package, 1550 nm, 20 mW | |||||
![]() | PL13CF0021FCB-NLaser Diode, Fiber Pigtailed, 1310 nm, 2 mW, 9/125 SMF, FC w/ Isolator | In Stock |







